氧气球阀
- 销售:
- 销售:
- 传真:
详情介绍
- 产品介绍
- 服务承诺
- 订货流程
氧气球阀是氧气管网专用阀门的一种.它除了具有普通球阀功能外还具有阻燃性好,导电性能好,传热快,结构紧凑,防油,安全可靠等特点.随着冶金工业的发展.氧气专用球阀与氧气专用截止阀一起被广泛应用于钢铁,冶金,医药,化工等行业。
![]() | ![]() |
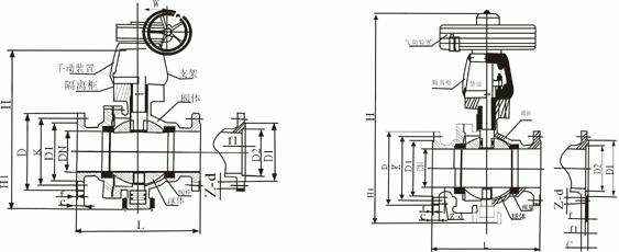
| QY347F蜗轮氧气球阀 | QY641F气动氧气球阀 |
氧气球阀 性能规范
公称压力 | 1.6 | 2.5 | 4 |
水压强度试验压力Mpa | 2.4 | 3.75 | 6 |
水压密封试验压力Mpa | 1.76 | 2.75 | 4.4 |
气压强度试验压力Mpa | 1.76 | 2.75 | 4.4 |
气压密封试验压力Mpa | 1.76 | 2.75 | 4.4 |
Z大工作压力Mpa | 1.6 | 2.5 | 4 |
工作温度 | -20~150℃ | ||
适用介质 | 氧气,氮气,空气等 | ||
氧气球阀 主要零件材料
零件名称 | 壳体 | 球体 | 阀杆 | 手柄 | 垫片,填料密封圈 |
材料 | 16-4硅黄铜 | 不锈钢或铜合金 | 不锈钢 | 碳钢 | 聚四氟乙烯 |

氧气球阀 主要外形尺寸
公称压力 | 公称直径DN(mm) | D | D1 | K | L | F | F1 | C | Z-d | H | H1 |
1.6 | 125 | 245 | 185 | 210 | 381 | 3 | / | 20 | 8-φ18 | 252 | 195 |
150 | 280 | 210 | 240 | 403 | 3 | / | 24 | 8-φ23 | 272 | 215 | |
200 | 335 | 295 | 295 | 502 | 3 | / | 26 | 12-φ23 | 342 | 295 | |
250 | 405 | 320 | 355 | 568 | 3 | / | 30 | 12-φ25 | 495 | 335 | |
300 | 460 | 375 | 410 | 648 | 4 | / | 30 | 12-φ25 | 580 | 385 | |
350 | 520 | 435 | 470 | 762 | 4 | / | 34 | 16-φ25 | 625 | 430 | |
400 | 580 | 485 | 525 | 838 | 4 | / | 36 | 16-φ30 | 720 | 470 | |
450 | 640 | 545 | 585 | 914 | 4 | / | 40 | 20-φ30 | 800 | 560 | |
2.5 | 125 | 270 | 188 | 220 | 381 | 3 | / | 28 | 8-φ25 | 252 | 195 |
150 | 300 | 218 | 250 | 403 | 3 | / | 30 | 8-φ25 | 272 | 215 | |
200 | 360 | 278 | 310 | 502 | 3 | / | 34 | 12-φ25 | 342 | 295 | |
250 | 425 | 332 | 370 | 568 | 3 | / | 36 | 12-φ30 | 495 | 335 | |
300 | 485 | 390 | 430 | 648 | 4 | / | 40 | 16-φ30 | 580 | 385 | |
350 | 550 | 448 | 490 | 762 | 4 | / | 44 | 16-φ34 | 625 | 430 | |
400 | 610 | 505 | 550 | 838 | 4 | / | 48 | 16-φ34 | 720 | 470 | |
450 | 660 | 555 | 600 | 914 | 4 | / | 50 | 20-φ34 | 800 | 560 | |
4 | 125 | 270 | 188 | 220 | 381 | 3 | 4.5 | 28 | 8-φ25 | 252 | 195 |
150 | 300 | 218 | 250 | 403 | 3 | 4.5 | 30 | 8-φ25 | 272 | 215 | |
200 | 375 | 282 | 320 | 502 | 3 | 4.5 | 38 | 12-φ30 | 398 | 295 | |
250 | 445 | 345 | 385 | 568 | 3 | 4.5 | 42 | 12-φ34 | 495 | 335 | |
300 | 510 | 408 | 450 | 648 | 4 | 4.5 | 46 | 16-φ34 | 580 | 385 | |
350 | 570 | 465 | 510 | 762 | 4 | 5 | 52 | 16-φ34 | 625 | 430 | |
400 | 655 | 535 | 585 | 838 | 4 | 5 | 58 | 16-φ41 | 720 | 470 | |
450 | 680 | 560 | 610 | 914 | 4 | 5 | 60 | 20-φ41 | 820 | 560 |
良好的品质、优良的服务 九州体育页面官方网站-九州体育(中国)为你创造更多价值!
“九州体育页面官方网站-九州体育(中国)”的期望,不断提升服务质量,精益求精,“真诚的服务”是“九州体育页面官方网站-九州体育(中国)”永恒的主题。“九州体育页面官方网站-九州体育(中国)”严格按照IS09001-2000 质量体系认证要求,质量严格把关, 责任到人,确保生产、销售、服务的健康运行。加强与用户沟通,竭诚为广大客户提供优良产品,至善至美服务。特此我厂做出以下承诺:
产品标准:
产品严格按照中国GB、HG 标准和美国API等标准设计、制造、验收。密封面硬度达到国家规定要求,宽度超过国家标准。
售前服务:
产品介绍,技术交流,非标产品设计,疑难解答。
售中服务:
守信合同,保证及时供货,随时保持与客户联系。 对特殊或复制的产品,我厂安排技术人员对用户进行产品使用、故障排除
售后服务:
1、“九州体育页面官方网站-九州体育(中国)”牌产品品质期为自出厂起12个月,实行“三包”服务(包退、包换、保修)。
2、产品在使用中我厂定期组织技术、质检人员进行访问,征询用户对产品质量、 使用状况、改进意见等方面的反馈, 以便进一步提高产品质量。
3、对用户投诉质量问题,快速作出反应,售后服务人员在24-36小时(省外48小时)赶赴现场。
4、对售后服务,要求用户填写服务后的质量反馈信息表,并作出鉴定意见,以便提高九州体育页面官方网站-九州体育(中国)的服务质量。
1、客户如对产品有特殊要求,须在订货合同中提供以下说明:
a、结构长度;
b、连接形式;
c、公称直径、全通径、缩径、管道尺寸;
d、运行介质及温度、压力范围;
e、试验、检验标准及其他要求
2、本厂可根据客户特定要求配置各类驱动装置。
3、如由客户提供确定的阀门类型和型号时,客户应正确说明其型号的含义和要求,在供需双方理解一致的条件下签订合同。
4、期货、订货的客户请先来电函详细告诉所需的阀门型号、规格、数量以及交货时间、地点,并按总的30%预定金或全额货款及时汇入我厂帐户,其余货款待发货前汇入,以便及时安排发货。
订单流程:
1、客户采购清单传真至,或来电咨询
2、收到客户采购清单,为客户提供阀门型号选型与报价(价格清单)。
3、具体商定:交货期、特殊要求等事宜。
订货须知:
1、客户如对产品有特殊要求,须在订货合同中提供以下说明:
|
|||||
|
|||||
2、本厂可根据客户特定要求配置各类驱动装置。
|
|||||
3、如由客户提供确定的阀门类型和型号时,客户应正确说明其型号的含义和要求,在供需双方理解一致的条件下签订合同。
|
|||||
4、期货、订货的客户请先来电函详细告诉所需的阀门型号、规格、数量以及交货时间、地点,并按总的30%预定金或全额货款及时汇入我厂账户, 其余货款待发货前汇入,以便及时安排发货。
|
售中服务:
守信合同,保证及时供货,随时保持与客户联系。
对特殊或复制的产品,我厂安排技术人员对用户进行产品使用、故障排除
售后服务:
1、“九州体育页面官方网站-九州体育(中国)”产品品质期为自出厂起12个月,实行“三包”服务(包退、包换、保修)。
2、产品在使用中我厂定期组织技术、质检人员进行访问,征询用户对产品质量、使用状况、改进意见等方面的反馈,
以便进一步提高产品质量。
3、对用户投诉质量问题,快速作出反应,售后服务人员在24-36小时(省外48小时)赶赴现场。
4、对售后服务,要求用户填写服务后的质量反馈信息表,并作出鉴定意见,以便提高“九州体育页面官方网站-九州体育(中国)”的服务质量。
声明 |
|

